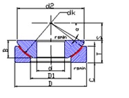
Thrust Spherical Plain Bearing
GX...T
Specification:
- Sliding contact surfaces
Steel vs. PTFE fabric
- Materials
Both outer race and inner race are made of high chrome bearing steel
- Heat treatment
Both outer race and inner race are quenched (hardened), outer race
surfaces are phosphorized, inner race surfaces are plated with chrome
- Features of structure
Without oil groove or oil hole.Sticked with a piece of PTFE fabric on inner
surface of outer race
- Properties
Good wearability, low friction, corrosion resistance, self-alignment

