Maintenance-free Radial Spherical Plain Bearing
GE...UK
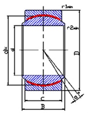
Specification:
- Material:
Outer ring: low carbon steel; Inner ring: chromium steel GCr15
- Heart treat
inner race quenched, surface chrome plated
- Structure
extrusion forming, without oil groove and oil hole
- Sliding contact surface
Steel / PTFE Copper Grid Composite Material Liner
- Features
self-lubricating, wear resisting, self-aligning, low friction, widely used in low
speed, heavy duty machineries

