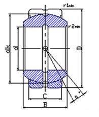
Spherical Plain Bearing
GE..FO-2RS
Specification:
- Sliding contact surfaces
Steel vs. Steel
- Materials
Both outer race and inner race are made of high chrome bearing steel
- Heat treatment
Both outer race and inner race are quenched (hardened), surface
phosphorized
- Features of structure
With oil groove and oil holes, with an axial split in outer race, With dual seals
- Lubricant
Molybdenum disulfide
- Properties
Heavy duty, good wearability, corrosion resistance, self-alignment,dust
proof

