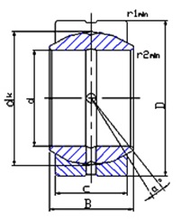
Spherical Plain Bearing
GEF...ES
Specification:
- Sliding contact surfaces
Steel vs. Steel
- Materials
Both outer race and inner race are made of high chrome bearing steel
- Heat treatment
Both outer race and inner race are quenched (hardened), surface
phosphorized
- Features of structure
With oil groove and oil holes, with an axial split in outer race
- Lubricant
Molybdenum disulfide
- Properties
Good wearability, corrosion resistance, self-alignment.

