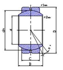
Spherical Plain Bearing
GEBJ...S
Specification:
- Sliding contact surfaces
Steel vs. Steel
- Materials
Both outer race and inner race are made of high chrome bearing steel
- Heat treatment
Without heat treatment on outer race. Inner race is quenched(hardened),
and surface plated with chrome
- Features of structure
With oil grooves and oil holes. Outer race formed by extrusion
- Properties
Good wearability, self-alignment.

