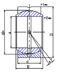
Spherical Plain Bearing
GEZ...ES
Specification:
- Sliding contact surfaces
Steel vs. Steel
- Materials
Both outer race and inner race are made of high chrome bearing
steel
- Heat treatment
Both outer race and inner race are quenched (hardened), surface
phosphorized
- Features of structure
With oil groove and oil hole, with an axial split in outer race
- Lubricant
molybdenum disulfide
- Properties
Good wearability, self-alignment.

