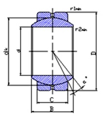
Spherical Plain Bearing
COM
Specification:
- Sliding contact surfaces
Steel vs. Steel
- Materials
Outer race is made of carbon steel, inner race is made of high chrome
bearing steel.
- Heat treatment
Without heat treatment on outer race. Inner race is quenched(hardened),
and surface plated with chrome.
- Features of structure
With oil groove and oil holes, Outer race formed by extrusion.
- Properties
Good wearability, self-alignment.

