Spherical Plain Bearing
PB
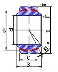
Specification:
- Sliding contact surfaces
Steel vs. bronze
- Materials
Outer race is made of carbon steel, inner race is made of high chrome
bearing steel, medium race is bronze.
- Heat treatment
Without heat treatment on outer race and bronze race. Inner race is
quenched(hardened), and surface plated with chrome.
- Features of structure
With oil groove or oil hole. Outer race formed by extrusion. With a bronze
race between outer race and inner race
- Properties
Self-lubricated, low friction, good wearability, self-alignment

