Maintenace-Free Rod Engs
SI...TK
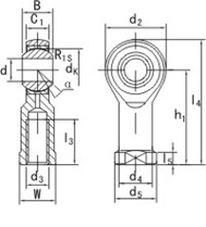
Specification:
- Rod body with right or left-hand female thread.
- It is made up of a maintenance-free radial spherical plain bearing G...PW and rod body.
- Surface of rod body zinc plated.
- For left-hand thread, please ass suffix "L", e.g.SIL…T/K

