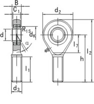
Maintenace-Free Rod Engs
SA...TK
Specification:
- Rod body with right or left-hand female thread.
- It is made up of a maintenance-free radial spherical plain bearing G..PW and rod body.
- Surface of rod body zinc plated.
- For left-hand thread, please ass suffix"L",e.g.SAL...T/K.

