HOME
PRODUCTS
Spherical Roller Bearing
Cylindrical Roller Bearing
Needle Roller Bearing
Thrust Ball Bearing
Tapered Roller Bearing
Spherical Plain Bearing
Deep Groove Ball
Ball Joint Bearing
Rod End Bearing
Cam Follower Bearing
Wheel Hub Bearing
ABOUT US
ABOUT HENGLI
OUR MISSION
VISION & CORE VALUES
Why Choose Us
TECHNOLOGICAL PROCESS
CERTIFICATION
OUR MARKET
DEVELOPMENTHISTORY
CONTACT
Contact Us
Send a Message
NEWS
Corporate News
CLASSIFICATION
Spherical Roller Bearing
Cylindrical Roller Bearing
Needle Roller Bearing
Thrust Ball Bearing
Tapered Roller Bearing
Spherical Plain Bearing
Deep Groove Ball
Ball Joint Bearing
Rod End Bearing
Cam Follower Bearing
Wheel Hub Bearing
Product Details
LOCATION:
HOME
> > Product Details
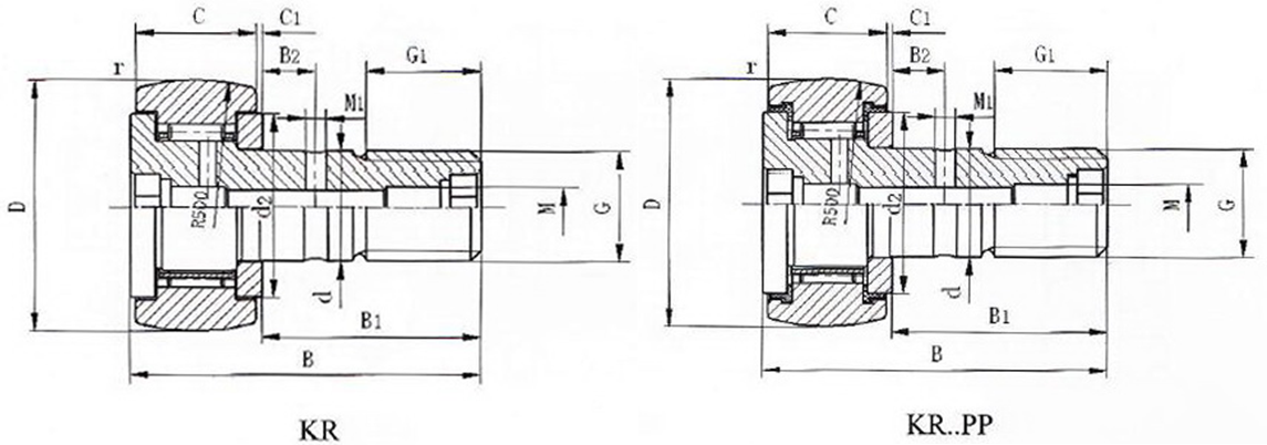
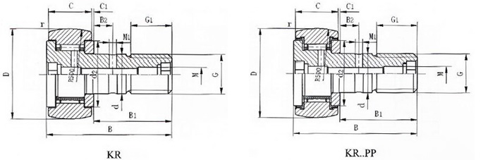
Stud Type Track Rollers KR/KR...PP
Number of Visits:
Stud Type Track Rollers
KR/KR...PP
Previous:
Maintenace-Free Rod Engs CM...T
Next:
Stud Type Track Rollers KRV...PP